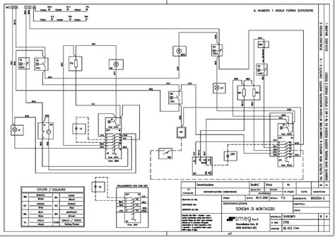
Oven Wiring

Oven Wiring. Web one ovens rated power consumption is 2.3kw so maximum load would be 4.6kw. The electrical circuit for this oven will need to be tested to be sure that the ground connection is actually present.

New oven wiring. Worked fine now won't power on electricians
New oven wiring. Worked fine now won't power on electricians from www.reddit.com

Connect the wires to the new. Strip 1/2 inch of insulation off of the end of each wire, using wire strippers. Web a microwave oven wiring diagram is a technical drawing that shows the layout of how the wires will be connected for the appliance.

This Will Help Prevent Any Damage To The Microwave Oven In The.


It can range from a simple. Web the electrolux oven wiring diagram consists of several standard symbols which are widely used in electrical wiring diagrams. It will be just inside the back somewhere.

Web The Terminal Block Is Where The Main Power Cord Attaches To The Oven Circuitry.


Web one ovens rated power consumption is 2.3kw so maximum load would be 4.6kw. Web cut the wires to the desired length, using wire cutters. Connect the wires to the new.

Web A Microwave Oven Wiring Diagram Is A Technical Drawing That Shows The Layout Of How The Wires Will Be Connected For The Appliance.


Check the voltage of your oven control unit to make sure no power is flowing through the unit. 4.6kw/230v = 20amps so would seem to be the perfectly sized switch. Master steam cooking with the 9000 steampro range.

Web If A New Wire Is Needed, Use The Same Type That The Manufacturer Specified In Your Wiring Diagram.


Strip 1/2 inch of insulation off of the end of each wire, using wire strippers. The electrical circuit for this oven will need to be tested to be sure that the ground connection is actually present.