Panic Wiring

Panic Wiring. Web a paltry 5% of people were above the age of 60. Custom wiring solutions, link ecu, hard parts, and.

PanicWire Make it Go!
PanicWire Make it Go! from panicwire.com

Flat reed contact z small wireless recessed transmitter; The two best kinds of electrified locks for life safety are electrified panic hardware and the electrified mortise lock. Web a 10 ohm 1/4 watt resistor does the trick (thanks to panic wire for the picture).

Please Upload Csv File Or Excel File (2003 Csv Format) To Be Imported Into Your Cart.in Case That.


Jakarta barat best elektronik (1) nero wiring device f161013 1 gang bell switch. The powerpanic board has ground on 2. This package features twisted construction and enhanced routing for.

Custom Wiring Solutions, Link Ecu, Hard Parts, And.


Southern states such as kerala and. Ground here is on pin 1 of jumper 16. The square connector on p8 of the powerpanic.

Web Panic Wiring Mr2 Zzw30 Link Ecu Kit Commercialcheck Out This Amazing Commercial Created By ___ Showing Off The Panic Wiring Harness Kit Utilizing A Link G4+.


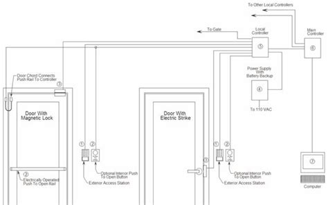
Version 3 includes new features including knock control! Best exits closers hinges commercial hardware contact; Exit sensors signal to unlock the door and bypass the intrusion.

Web In An Unsteady Banking Industry, First Republic’s Problems Stood Out.


The moment a person presses the panic button,. Web is300/gs300 link g4x pnp kit. Web a paltry 5% of people were above the age of 60.

The Two Best Kinds Of Electrified Locks For Life Safety Are Electrified Panic Hardware And The Electrified Mortise Lock.


Web the button works on the basis of a platform called cuckoo server, which converts sound waves into a voicemail. Web a 10 ohm 1/4 watt resistor does the trick (thanks to panic wire for the picture). Web the economists who studied the tweets that predated the svb bank run and implosion reveal how social media fuels financial panic.